PAM GLOBAL UNO24 Edelstahl HDE waagerecht DN80
Artikel-Nr. : 179928
Beschreibung
PAM GLOBAL® UNO24 Edelstahl Flachdachablauf HDE ist für die Hochleistungsdachentwässerung geeignet. Alle Dachabläufe von Pam Building erfüllen die Anforderungen der aktuell gültigen DIN-Normen.
Produktvarianten
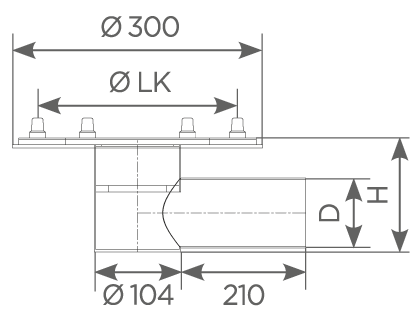
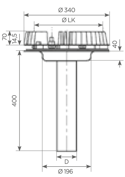
| Artikelnummer | DN | DN | Angle | Länge | Höhe | Breite | Mass |
|---|---|---|---|---|---|---|---|
| 179926 | 50 | - | - | 457 | 73 | 340 | 6,30 |
| 179928 | 80 | - | - | 457 | 98 | 340 | 6,60 |
Alle Maße in mm, Gewichte sind Nenngewichte in kg
Technische Infos & Produktbeschreibung
Produktbeschreibung:
PAM GLOBAL® UNO24 Edelstahl Flachdachablauf HDE ist für die Hochleistungsdachentwässerung geeignet. Alle Dachabläufe von Pam Building erfüllen die Anforderungen der aktuell gültigen DIN-Normen.
Anwendungsbereich:
- Dachanwendungen
- Druckströmungsentwässerung
Technische Infos:
Aus Edelstahl Werkstoff 1.4301, mit Los und Festflansch zum Einklemmen von Dachbahnen, Funktionsteil aus Aluminiumlegierung AS-10G.
- Produktnormen: DIN EN 1253-2
- Infos zum Recycling : Metallische Bestandteile sind vollständig recycelbar
Tutoriels & videos